|
Home » Catalogo Prodotti » Categoria Freni a Ceppi » Freni a Ceppi GALVI DIN negativi N(NV)...PN... ed N(NV)...I…
|
| Registrati e scarica i disegni 2D | Registrati e scarica i disegni 3D |
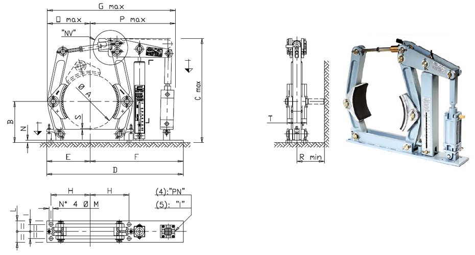
Freni a Ceppi GALVI DIN negativi N(NV)...PN... ed N(NV)...I…
|
| CARATTERISTICHE STANDARD |
|
| DOTAZIONE OPZIONALE DISPONIBILE |
|
(1) Coppia Frenante
(2) Non a norma DIN 15435
(3) Escluso ripristino automatico dei giochi (NV), inclusi ceppi freno a norma DIN 15435 (CD)
(4) In relazione alla pressione di esercizio minima di 5 bar per Freni pneumatici “PN” e di 60 bar per Freni idraulici “I”
(5) Allacciamento Servofreni “I” : foro dia. 1/4” GAS
(6) Allacciamento Servofreni “PN” : attacco aria maschio diametro esterno 10,5 mm per Freni diametro da 160 mm a 400 mm compresi e
(6) diametro esterno 12 mm per Freni diametro da 500 mm a 710 mm compresiCon riserva di apportare variazioni senza preavviso
Tutti i diritti riservati
Tutte le quote sono espresse in mm, se non diversamente precisate.






