| Registrati e scarica i disegni 2D | Registrati e scarica i disegni 3D |
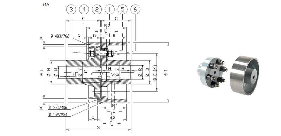
Giunti GALVI AISE GA
|
| CARATTERISTICHE STANDARD ED OPZIONALI |
|
(1) Non a norma AISE 11
(2) Masse e momenti di inerzia ( I ) sono calcolati con fori F ed M grezzi
(3) Momento torcente elastico
(4) Momento torcente rigido
(5) Coppia di serraggio dadi RG4Con riserva di apportare variazioni senza preavviso
Tutti i diritti riservati
Tutte le quote sono espresse in mm, se non diversamente precisate.






