| Registrati e scarica i disegni 2D | Registrati e scarica i disegni 3D |
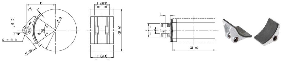
Ceppi freno GALVI DIN
Ceppi freno a norma DIN 15435 (RF2) oppure larghi 1,5 volte quelli a norma DIN 15435 (RF4), in alluminio da diametro 160 mm a diametro 500 mm inclusi, in ghisa nei diametri 630 mm e 710 mm, con bussole antiusura di acciaio, con guarnizione di attrito priva di amianto e termoincollata
(1) Non a norma DIN 15435
(2) Per cadaun Ceppo freno completo di guarnizione di attritoCon riserva di apportare variazioni senza preavviso
Tutti i diritti riservati
Tutte le quote sono espresse in mm, se non diversamente precisate.






